ВЕРТА-ТАРА
Интернет-магазин представительского класса
Каталог
Пластиковые ящики
Евроконтейнеры ЕС
Серия 900
Тележки и крышки для ящиков
Куботейнеры
Серия 100
Серия 200
Серия 300
Серия 400
Серия 600
Серия 700
Складные
Ящики для склада
Ящики для хранения
Паллеты и поддоны
Канистры пластиковые
Универсальные
Пищевые
Пищевые эконом
Листовые пластики
Полипропиленовые листы
Полиэтиленовые листы
Бочки
Бочки металлические
Бочки пластиковые
Пластиковые бидоны и фляги
Бочки из нержавеющей стали
Пластиковые емкости
Пищевые ванны
Емкости для воды и дизельного топлива
Емкости с мешалками
Емкости с усиленной стенкой
Мягкие емкости
Специзделия
Для сельского хозяйства
Комплектующие
Конусные емкости с полным сливом (ЦКТ)
Подземные емкости
Еврокубы
Еврокубы новые
Еврокубы с подогревом
Еврокубы б/у
Мини АЗС для дизельного топлива
Изотермические контейнеры
Polycool
Аксессуары для термоконтейнеров
Ric
Термоконтейнеры из вспененного полипропилена
Крупногабаритные контейнеры
Неразборные контейнеры
Разборные контейнеры
Аксессуары для контейнеров
Мусорные контейнеры и урны
Аксессуары
Мусорные контейнеры и баки для сбора ТКО
Раздельный сбор мусора
Урны
Контейнеры для ртутных ламп
Поддоны для сбора и локализации проливов под канистры, бочки и еврокубы
Для дачи и сада
Канализация
Вазоны
Баки для душа
Кашпо
Компостер
Дачные туалеты
Крышка колодца "Rostok"
Комплектующие для дачных товаров
Крышка колодца «Роса»
Дорожно-строительная продукция
Мобильные туалетные кабины
Сигнальные фонари и гирлянды
Столбики дорожные
Системы световой индикации
Дорожные буферы
Мусоросбросы
Дорожные блоки
Пункты для мойки колес
Пластины дорожные
Барьерные ограждения
Конусы дорожные
Кабельные колодцы связи
Ящики для песка, соли и реагентов
Пластиковые ведра
Проектирование изделий
Как купить
Акции
Цены и оплата
Доставка по Москве и области
Доставка по России
Обмен и возврат
Пользовательская информация
Соглашение на обработку персональных данных
Пользовательское соглашение
Политика конфиденциальности
Компания
О компании
Документы
Партнеры
Отзывы
Контакты
+7 495 032-76-32
Заказать звонок
Задать вопрос
Войти
  • Корзина0
  • Отложенные0
  • Сравнение товаров0
order@verta-tara.com
Москва, ул. Средняя Первомайская,
дом 3
ВЕРТА-ТАРА
Сравнение0
Отложенные 0
Корзина 0
Войти
+7 495 032-76-32
order@verta-tara.com
Каталог
  • Пластиковые ящики
  • Паллеты и поддоны
  • Канистры пластиковые
  • Листовые пластики
  • Бочки
  • Пластиковые емкости
  • Еврокубы
  • Мини АЗС для дизельного топлива
  • Изотермические контейнеры
  • Крупногабаритные контейнеры
  • Мусорные контейнеры и урны
  • Поддоны для сбора и локализации проливов под канистры, бочки и еврокубы
  • Для дачи и сада
  • Дорожно-строительная продукция
  • Ящики для песка, соли и реагентов
  • Пластиковые ведра
Проектирование изделий
Как купить
  • Акции
  • Цены и оплата
  • Доставка по Москве и области
  • Доставка по России
  • Обмен и возврат
  • Пользовательская информация
    • Соглашение на обработку персональных данных
    • Пользовательское соглашение
    • Политика конфиденциальности
Компания
  • О компании
  • Документы
  • Партнеры
  • Отзывы
Контакты
+  ЕЩЕ
    ВЕРТА-ТАРА
    Каталог
    • Пластиковые ящики
    • Паллеты и поддоны
    • Канистры пластиковые
    • Листовые пластики
    • Бочки
    • Пластиковые емкости
    • Еврокубы
    • Мини АЗС для дизельного топлива
    • Изотермические контейнеры
    • Крупногабаритные контейнеры
    • Мусорные контейнеры и урны
    • Поддоны для сбора и локализации проливов под канистры, бочки и еврокубы
    • Для дачи и сада
    • Дорожно-строительная продукция
    • Ящики для песка, соли и реагентов
    • Пластиковые ведра
    Проектирование изделий
    Как купить
    • Акции
    • Цены и оплата
    • Доставка по Москве и области
    • Доставка по России
    • Обмен и возврат
    • Пользовательская информация
      • Соглашение на обработку персональных данных
      • Пользовательское соглашение
      • Политика конфиденциальности
    Компания
    • О компании
    • Документы
    • Партнеры
    • Отзывы
    Контакты
    +  ЕЩЕ
      Сравнение0 Отложенные 0 Корзина 0
      ВЕРТА-ТАРА
      Сравнение0 Отложенные 0 Корзина 0
      Телефоны
      +7 495 032-76-32
      • Каталог
        • Назад
        • Каталог
        • Пластиковые ящики Пластиковые ящики
          • Назад
          • Пластиковые ящики
          • Евроконтейнеры ЕС Евроконтейнеры ЕС
          • Серия 900 Серия 900
          • Тележки и крышки для ящиков Тележки и крышки для ящиков
          • Куботейнеры Куботейнеры
          • Серия 100 Серия 100
          • Серия 200 Серия 200
          • Серия 300 Серия 300
          • Серия 400 Серия 400
          • Серия 600 Серия 600
          • Серия 700 Серия 700
          • Складные Складные
          • Ящики для склада Ящики для склада
          • Ящики для хранения Ящики для хранения
        • Паллеты и поддоны Паллеты и поддоны
        • Канистры пластиковые Канистры пластиковые
          • Назад
          • Канистры пластиковые
          • Универсальные Универсальные
          • Пищевые Пищевые
          • Пищевые эконом Пищевые эконом
        • Листовые пластики Листовые пластики
          • Назад
          • Листовые пластики
          • Полипропиленовые листы Полипропиленовые листы
          • Полиэтиленовые листы Полиэтиленовые листы
        • Бочки Бочки
          • Назад
          • Бочки
          • Бочки металлические Бочки металлические
          • Бочки пластиковые Бочки пластиковые
          • Пластиковые бидоны и фляги Пластиковые бидоны и фляги
          • Бочки из нержавеющей стали Бочки из нержавеющей стали
        • Пластиковые емкости Пластиковые емкости
          • Назад
          • Пластиковые емкости
          • Пищевые ванны Пищевые ванны
          • Емкости для воды и дизельного топлива Емкости для воды и дизельного топлива
          • Емкости с мешалками Емкости с мешалками
          • Емкости с усиленной стенкой Емкости с усиленной стенкой
          • Мягкие емкости Мягкие емкости
          • Специзделия Специзделия
          • Для сельского хозяйства Для сельского хозяйства
          • Комплектующие Комплектующие
          • Конусные емкости с полным сливом (ЦКТ) Конусные емкости с полным сливом (ЦКТ)
          • Подземные емкости Подземные емкости
        • Еврокубы Еврокубы
          • Назад
          • Еврокубы
          • Еврокубы новые Еврокубы новые
          • Еврокубы с подогревом Еврокубы с подогревом
          • Еврокубы б/у Еврокубы б/у
        • Мини АЗС для дизельного топлива Мини АЗС для дизельного топлива
        • Изотермические контейнеры Изотермические контейнеры
          • Назад
          • Изотермические контейнеры
          • Polycool Polycool
          • Аксессуары для термоконтейнеров Аксессуары для термоконтейнеров
          • Ric Ric
          • Термоконтейнеры из вспененного полипропилена Термоконтейнеры из вспененного полипропилена
        • Крупногабаритные контейнеры Крупногабаритные контейнеры
          • Назад
          • Крупногабаритные контейнеры
          • Неразборные контейнеры Неразборные контейнеры
          • Разборные контейнеры Разборные контейнеры
          • Аксессуары для контейнеров Аксессуары для контейнеров
        • Мусорные контейнеры и урны Мусорные контейнеры и урны
          • Назад
          • Мусорные контейнеры и урны
          • Аксессуары Аксессуары
          • Мусорные контейнеры и баки для сбора ТКО Мусорные контейнеры и баки для сбора ТКО
          • Раздельный сбор мусора Раздельный сбор мусора
          • Урны Урны
          • Контейнеры для ртутных ламп Контейнеры для ртутных ламп
        • Поддоны для сбора и локализации проливов под канистры, бочки и еврокубы Поддоны для сбора и локализации проливов под канистры, бочки и еврокубы
        • Для дачи и сада Для дачи и сада
          • Назад
          • Для дачи и сада
          • Канализация Канализация
          • Вазоны Вазоны
          • Баки для душа Баки для душа
          • Кашпо Кашпо
          • Компостер Компостер
          • Дачные туалеты Дачные туалеты
          • Крышка колодца "Rostok" Крышка колодца "Rostok"
          • Комплектующие для дачных товаров Комплектующие для дачных товаров
          • Крышка колодца «Роса» Крышка колодца «Роса»
        • Дорожно-строительная продукция Дорожно-строительная продукция
          • Назад
          • Дорожно-строительная продукция
          • Мобильные туалетные кабины Мобильные туалетные кабины
          • Сигнальные фонари и гирлянды Сигнальные фонари и гирлянды
          • Столбики дорожные Столбики дорожные
          • Системы световой индикации Системы световой индикации
          • Дорожные буферы Дорожные буферы
          • Мусоросбросы Мусоросбросы
          • Дорожные блоки Дорожные блоки
          • Пункты для мойки колес Пункты для мойки колес
          • Пластины дорожные Пластины дорожные
          • Барьерные ограждения Барьерные ограждения
          • Конусы дорожные Конусы дорожные
          • Кабельные колодцы связи Кабельные колодцы связи
        • Ящики для песка, соли и реагентов Ящики для песка, соли и реагентов
        • Пластиковые ведра Пластиковые ведра
      • Проектирование изделий
      • Как купить
        • Назад
        • Как купить
        • Акции
        • Цены и оплата
        • Доставка по Москве и области
        • Доставка по России
        • Обмен и возврат
        • Пользовательская информация
          • Назад
          • Пользовательская информация
          • Соглашение на обработку персональных данных
          • Пользовательское соглашение
          • Политика конфиденциальности
      • Компания
        • Назад
        • Компания
        • О компании
        • Документы
        • Партнеры
        • Отзывы
      • Контакты
      • Личный кабинет
      • Корзина0
      • Отложенные0
      • Сравнение товаров0
      • +7 495 032-76-32
      Контактная информация
      Москва, ул. Средняя Первомайская,
      дом 3
      order@verta-tara.com

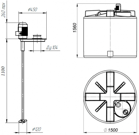
      Емкость T 2000 c пропеллерной мешалкой

      Главная
      —
      Каталог
      —
      Пластиковые емкости
      Пластиковые ящикиПаллеты и поддоныКанистры пластиковыеЛистовые пластикиБочкиЕврокубыМини АЗС для дизельного топливаИзотермические контейнерыКрупногабаритные контейнерыМусорные контейнеры и урныПоддоны для сбора и локализации проливов под канистры, бочки и еврокубыДля дачи и садаДорожно-строительная продукцияЯщики для песка, соли и реагентовПластиковые ведра
      —
      Емкости с мешалками
      Пищевые ванныЕмкости для воды и дизельного топливаЕмкости с усиленной стенкойМягкие емкостиСпецизделияДля сельского хозяйстваКомплектующиеКонусные емкости с полным сливом (ЦКТ)Подземные емкости
      —
      Серия T
      Серия LСерия TRСерия ЭВЛСерия ФМДозировочные
      —Емкость T 2000 c пропеллерной мешалкой

      На заказы до 12 000 ₽ - срок поставки от 14 дней. Заказы от 12 000 ₽ - срок поставки от 1 дня.

      Артикул: 171.0000.000.006
      Емкость T 2000 c пропеллерной мешалкой (171.0000.000.006, синий)
      Ph6W083Q7P.jpg
      Емкость T 2000 c пропеллерной мешалкой
      JVNa5rPfBb.jpg
      JVNa5rPfBb.jpg
      JVNa5rPfBb.jpg
      JVNa5rPfBb.jpg
      JVNa5rPfBb.jpg
      0000
      -%
      Экономия
      Средний опт
      121 776 ₽
      Розница
      121 776 ₽
      Гарантия лучшей цены !!! Нашли дешевле - получайте скидку !
      Характеристики
      Объем, литр
      —
      2000
      Вес, кг
      —
      58
      Серия
      —
      Серия T
      Назаначение
      —
      Для воды
      Плотность вещества макс, г/см3
      —
      1,0
      Расположение
      —
      Горизонтальное

      Гарантия производителя на заводской брак

      • Описание
      • Отзывы
      • Цены и оплата
      • Доставка
      Галерея
      0 фото —
      1/0 —
      Отзывы
      Нет оценок
      Оставить отзыв
      Загрузка отзывов...
      ЦЕНЫ

      Диапазоны общей стоимости заказа в ценах розницы, без учета стоимости доставки:

      • до 50 000 ₽ — розница
      • 50 001 – 150 000 ₽ — средний опт
      • от 150 001 ₽ — крупный опт  (при наличии такой опции для выбранного товара)

      Для постоянных оптовых покупателей  и производственных предприятий возможны индивидуальные условия.

      ВАРИАНТЫ ОПЛАТЫ

      1) Оплата по счету с НДС 22%

      Для корректного формирования счёта и быстрого зачисления оплаты  требуются реквизиты покупателя.

      Отпуск товара производится при наличии у представителя покупателя доверенности/печати (форма M2), удостоверения личности (паспорта).

      Мы предоставляем все документы бухгалтерской отчетности: счёт, счёт-фактура, товарная накладная или УПД.

      2)  Оплата по QR-коду через  Систему Быстрых Платежей из любой точки мира.

      При выборе данного типа оплаты будет сконфигурирован  счет, включающий QR-код.

      Оплата по QR-коду через СБП

      Через СБП можно не только переводить деньги другим людям, но и расплачиваться за покупки и услуги в розничных и интернет-магазинах. Для этого нужно отсканировать QR-код — графическое изображение, в котором зашифрованы реквизиты получателя, назначение платежа и его сумма.

      Пример QR-кода. Он может быть в виде распечатанной картинки, наклейки или отображаться на экране приложения

      Пример QR-кода.

      Чтобы считать QR-код:

      1. Откройте приложение своего банка.
      2. Найдите «Оплата по QR-коду».
      3. Когда откроется камера смартфона, наведите ее на QR-код. На экране появится название магазина и сумма к оплате.
      4. Нажмите «Оплатить» или «Подтвердить», чтобы провести оплату.

      Для покупателя оплата по QR-коду через СБП бесплатна.

      Основным плюсом этого метода является безопасность оплаты товаров в интернете, так как более нет необходимости предоставлять данные карты. Оплата проходит внутри мобильного банка покупателя.

       

      САМОВЫВОЗ

      Вы можете забрать свой заказ со склада самостоятельно.
      Дату и время погрузки необходимо заранее согласовать с менеджером.

      Важно: при информировании наших сотрудников о вашем прибытии за 1 час заказ будет отгружен быстрее.
      При получении нужны печать/доверенность (для юридических лиц) или паспорт (для физических лиц).

      ДОСТАВКА ПО МОСКВЕ И ОБЛАСТИ

      Тарифы услуги «Доставка» для среднего грузового автомобиля 1,4-7 м3 (кузов 3,8x1,8x1,8 м, до 1400 кг) при отгрузке с одного склада.
      Вмещает 1-3 шт IBC контейнера (еврокуб).

      Зона 1 - 4500 ₽
      Зона 2 - 4900 ₽
      Зона М - 4500 ₽
      Остальные территории - расчет производится калькулятором доставки на интерактивной карте 

      Доставка занимает 1-3 рабочих дня. Дата подтверждается менеджером. 

      При срочной доставке (в текущий или на следующий после оплаты рабочий день, при наличии свободного транспорта) тариф увеличивается на 1500 ₽. 

      Минимальная стоимость грузоперевозки 4500 ₽. 

      При заказе фуры 82м3 стоимость доставки рассчитывается индивидуально.

      Разгрузка осуществляется представителями покупателя.

      ЗОНЫ ДОСТАВКИ И ИНТЕРАКТИВНЫЙ РАСЧЕТ ДОСТАВКИ
      0000
      -%
      Экономия
      Средний опт
      121 776 ₽
      Розница
      121 776 ₽
      Гарантия лучшей цены !!! Нашли дешевле - получайте скидку !
      Цвет—синий
      В корзинуВ корзине
      Купить в 1 клик
      Получить персональные условия
      и возможность отсрочки
      при регулярных закупках
       
      Возникли вопросы?
      +7 495 032-76-32
      Характеристики
      Объем, литр
      —
      2000
      Вес, кг
      —
      58
      Серия
      —
      Серия T
      Назаначение
      —
      Для воды
      Плотность вещества макс, г/см3
      —
      1,0
      Расположение
      —
      Горизонтальное
      Цена действительна только для интернет-магазина и может отличаться от цен в розничных магазинах

      Нужна консультация?

      Наши специалисты ответят на любой интересующий вопрос
      Задать вопрос
      Будьте в курсе наших акций и новостей
      Каталог
      Проектирование изделий
      Изотермика
      Как купить
      Акции
      Цены и оплата
      Доставка по Москве и области
      Доставка по России
      Обмен и возврат
      Пользовательская информация
      Компания
      О компании
      Документы
      Партнеры
      Отзывы
      +7 495 032-76-32
      order@verta-tara.com
      Москва, ул. Средняя Первомайская,
      дом 3
      2026 © ВЕРТА-ТАРА ∙ ёмкостное оборудование, резервуары, оборотная пластиковая тара. Не является публичной офертой.